Precise regulator IR1000/IR2000 series
Precise regulator IR1000/IR2000 series

Precise regulator IR1000/IR2000 series

Inquire NOW PDF

Precise regulator IR1000/IR2000 series

Inquire NOW PDF

How to order

Parameter

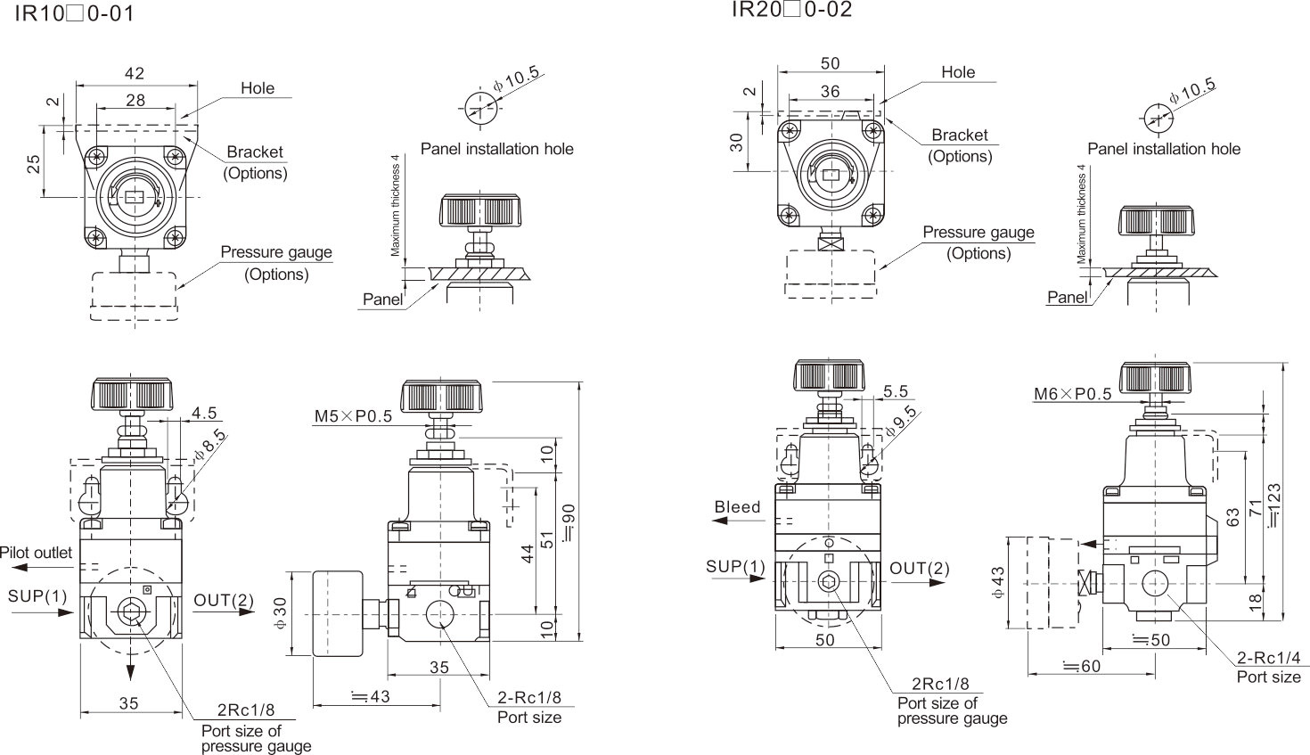
Dimensions

Get in Touch

点击刷新验证码图片
×